JUDD氣體報警控制器
- 產品名稱:JUDD壁掛式獨立顯示控制器
適用范圍:配接固定式有毒氣體檢測儀
配接產品:AG210、AG200、AG310
產品簡介:支持4-20mA信號;支持1-8個點;數據記錄、聯動控制等功能
—— 有毒氣體報警控制器 ——

| 艾伊科技UDD控制器為標準模塊式控制器,每個橫塊均具備獨立顯示功能,根據接入數量的不同,可分為壁掛式或機柜式??刂?nbsp; 器內置開關量輸出,可配接4-20mA信號可燃/有毒氣體探測器,適用于石油、化工、能源、鋼鐵、冶金、燃氣等行業。
模塊化設計,點數自由配接。 OLED圖形顯示,強光下清晰可見。 內置開關量,可實現連鎖控制功能。 鋁合金/碳鋼外殼,堅固耐用。 支持接入4-20mA協議氣體檢測變送器。
|
|
—— 產品詳情 ——
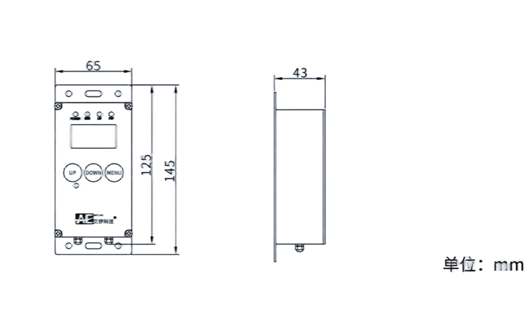
產品尺寸


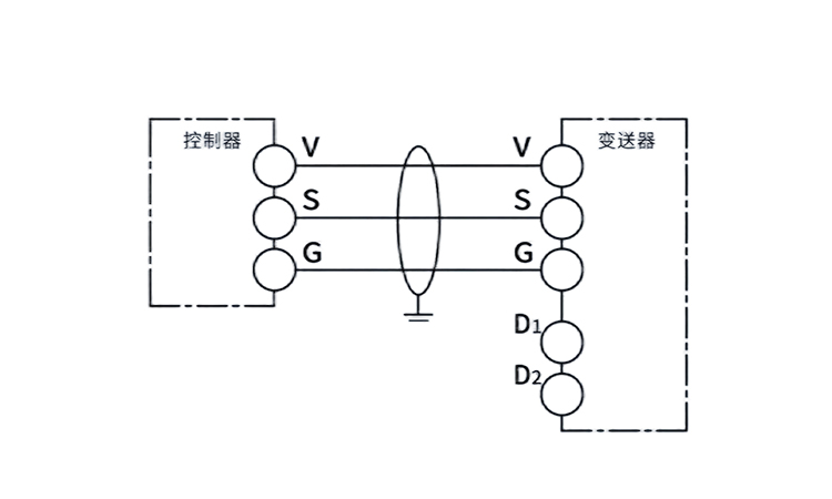
產品接線

—— 產品配接系統圖 ——

—— 配接產品 ——
有毒氣體檢測變送器
AG310 AG210 AG200
—— 應用案例 ——

—— 資質證書 ——

產品名稱:壁掛式氣體檢測報警控制器
產品型號:JUDD
通道數:1-8可選
顯示方式:LCD液晶顯示
輸入信號:4-20mA/RS485
輸出信號:RS485/報警開關量輸出
工作電壓:220VAC
防護等級:IP20
安裝方式:壁掛式安裝
產品尺寸:467mm*359mm*99mm


|
| 24小時值班熱線 |  | 400-025-9821 |
| QQ |  | 927962107 |
| 固定電話 |  | 025-66095359 / 87787361 |
| 售后電話 |  | 18936877117 |
| 手機號碼 |  | 17705175021 |
| 電子郵箱 |  | 927962107@qq.com |
| Overseas Sales |  | sales@autequ.com |
| 傳真 |  | 025-87787362 |
廠址 |  | 南京市江寧區吉印大道3118號12棟1-3層(江寧開發區) |
氣體檢測分析儀,粉塵檢測儀,氣體檢測報警儀,氧含量分析儀,氧分析儀,氧氣分析儀